FLHXSE2 1PZ8 CVO STREET GLIDE (2011) (2011)

Оригинальные запчасти для мотоциклов Harley Davidson

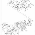
Выбор узла

FLHXSE2 1PZ8 CVO STREET GLIDE (2011) (2011)