FXST 1BV5 SOFTAIL STANDARD (2009) (2009)

Оригинальные запчасти для мотоциклов Harley Davidson

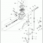
Выбор узла

FXST 1BV5 SOFTAIL STANDARD (2009) (2009)