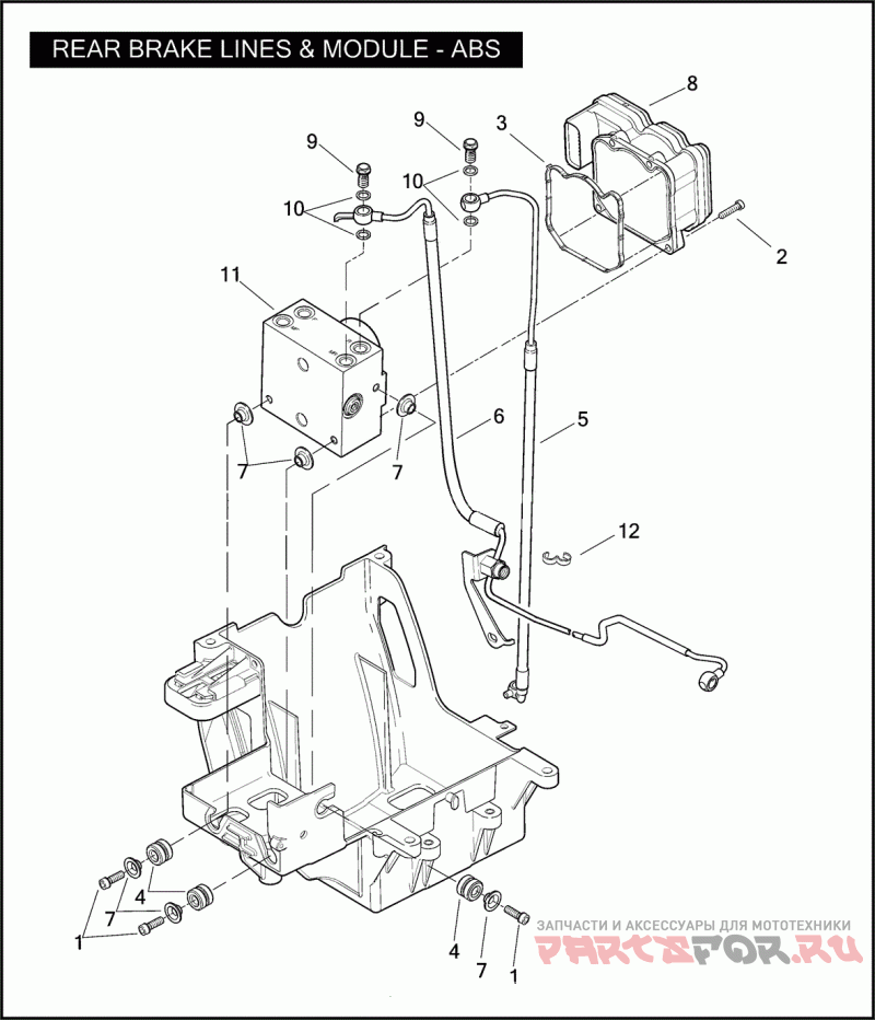
REAR BRAKE LINES & MODULE - ABS

Harley Davidson FLHTCUSE4 1PR8 CVO ULTRA CLASSIC (2009)

Harley Davidson
#oem кодцена
1
1095M
Деталь SCREW M6 X 1.0 X 22 SEMS SOCKET HD.
2
2228
Деталь SCREW M5 X 0.8 X 20.7 TORX PAN HD. (GRADE 9.8)
3
11904
Деталь GASKET ABS MODULE
4
40603-08
Уплотнитель резиновый
5
40610-09
Деталь BRAKELINE ABS MODULE TO CALIPER
6
40611-09
Деталь BRAKELINE ABS MODULE TO MASTER CYLINDER
7
40628-08
Деталь BUSHING ABS
8
40649-08
Деталь CONTROLLER ELECTRONIC, ABS UNIT, W/ 11904
9
41750-06B
Деталь BOLT, BANJO BRAKELINE
10
41751-06A
Прокладка
11
48343-09
Деталь MODULATOR ASSEMBLY HYDRAULIC, ABS UNIT
12
70631-08
Деталь CLIP CONDUIT