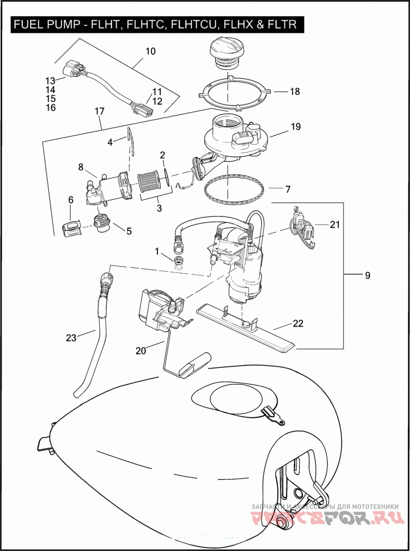
1 | 10395Деталь RETAINER FUEL LINE, 5/16 (BLACK) | Деталь RETAINER FUEL LINE, 5/16 (BLACK) | |
1 |
|
|
10395
Деталь RETAINER FUEL LINE, 5/16 (BLACK)
ОПРОС ПОСТАВЩИКОВ...
Для сборки этого узла требуется 1 шт.
* ориентировочный срок поставки
|
|
2 | 11686Уплотнительное кольцо | Уплотнительное кольцо | |
2 |
|
|
11686
Уплотнительное кольцо
ОПРОС ПОСТАВЩИКОВ...
Для сборки этого узла требуется 1 шт.
* ориентировочный срок поставки
|
|
3 | | Деталь FUEL FILTER KIT W/ 11686 | |
3 |
|
|
61011-04A
Деталь FUEL FILTER KIT W/ 11686
ОПРОС ПОСТАВЩИКОВ...
Для сборки этого узла требуется 1 шт.
* ориентировочный срок поставки
|
|
4 | | Деталь CLIP FILTER RETAINER | |
4 |
|
|
61012-04A
Деталь CLIP FILTER RETAINER
ОПРОС ПОСТАВЩИКОВ...
Для сборки этого узла требуется 1 шт.
* ориентировочный срок поставки
|
|
5 | 61015-04AДеталь FUEL REGULATOR ASSEMBLY KIT W/ O-RINGS, SPACER & SCREEN | Деталь FUEL REGULATOR ASSEMBLY KIT W/ O-RINGS, SPACER & SCREEN | |
5 |
|
|
61015-04A
Деталь FUEL REGULATOR ASSEMBLY KIT W/ O-RINGS, SPACER & SCREEN
ОПРОС ПОСТАВЩИКОВ...
Для сборки этого узла требуется 1 шт.
* ориентировочный срок поставки
|
|
6 | | Деталь CLIP REGULATOR RETAINER | |
6 |
|
|
61213-04A
Деталь CLIP REGULATOR RETAINER
ОПРОС ПОСТАВЩИКОВ...
Для сборки этого узла требуется 1 шт.
* ориентировочный срок поставки
|
|
7 | | Деталь GASKET TOP PLATE | |
7 |
|
|
61402-08
Деталь GASKET TOP PLATE
ОПРОС ПОСТАВЩИКОВ...
Для сборки этого узла требуется 1 шт.
* ориентировочный срок поставки
|
|
8 | | Деталь FILTER SHELL | |
8 |
|
|
62229-08B
Деталь FILTER SHELL
ОПРОС ПОСТАВЩИКОВ...
Для сборки этого узла требуется 1 шт.
* ориентировочный срок поставки
|
|
9 | 62908-08Деталь PUMP ASSEMBLY FUEL, W/ 10395, 75229-08 & 75254-04A | Деталь PUMP ASSEMBLY FUEL, W/ 10395, 75229-08 & 75254-04A | |
9 |
|
|
62908-08
Деталь PUMP ASSEMBLY FUEL, W/ 10395, 75229-08 & 75254-04A
ОПРОС ПОСТАВЩИКОВ...
Для сборки этого узла требуется 1 шт.
* ориентировочный срок поставки
|
|
10 | 70369-08Деталь HARNESS FUEL TANK W/ 11, 12, 13, 14, 15 & 16 | Деталь HARNESS FUEL TANK W/ 11, 12, 13, 14, 15 & 16 | |
10 |
|
|
70369-08
Деталь HARNESS FUEL TANK W/ 11, 12, 13, 14, 15 & 16
ОПРОС ПОСТАВЩИКОВ...
Для сборки этого узла требуется 1 шт.
* ориентировочный срок поставки
|
|
11 | 72485-07Деталь SOCKET HOUSING 4-WAY (BLACK) | Деталь SOCKET HOUSING 4-WAY (BLACK) | |
11 |
|
|
72485-07
Деталь SOCKET HOUSING 4-WAY (BLACK)
ОПРОС ПОСТАВЩИКОВ...
Для сборки этого узла требуется 1 шт.
* ориентировочный срок поставки
|
|
12 | 72493-07Деталь TERMINAL SOCKET 16-18 AWG | Деталь TERMINAL SOCKET 16-18 AWG | |
12 |
|
|
72493-07
Деталь TERMINAL SOCKET 16-18 AWG
ОПРОС ПОСТАВЩИКОВ...
Для сборки этого узла требуется 4 шт.
* ориентировочный срок поставки
|
|
13 | | Деталь WIRE SEAL 16-18 AWG | |
13 |
|
|
72494-07
Деталь WIRE SEAL 16-18 AWG
ОПРОС ПОСТАВЩИКОВ...
Для сборки этого узла требуется 4 шт.
* ориентировочный срок поставки
|
|
14 | | Деталь SECONDARY LOCK 4-WAY | |
14 |
|
|
72557-07
Деталь SECONDARY LOCK 4-WAY
ОПРОС ПОСТАВЩИКОВ...
Для сборки этого узла требуется 1 шт.
* ориентировочный срок поставки
|
|
15 | | Деталь SOCKET HOUSING 4-WAY (BLACK) | |
15 |
|
|
73154-96BK
Деталь SOCKET HOUSING 4-WAY (BLACK)
ОПРОС ПОСТАВЩИКОВ...
Для сборки этого узла требуется 1 шт.
* ориентировочный срок поставки
|
|
16 | 73191-96Деталь TERMINAL SOCKET, 16-20 GAUGE | Деталь TERMINAL SOCKET, 16-20 GAUGE | |
16 |
|
|
73191-96
Деталь TERMINAL SOCKET, 16-20 GAUGE
ОПРОС ПОСТАВЩИКОВ...
Для сборки этого узла требуется 4 шт.
* ориентировочный срок поставки
|
|
17 | 75069-08CДеталь TOP PLATE ASSEMBLY WITH 3, 4, 5, 6, 8, 18 AND 23 | Деталь TOP PLATE ASSEMBLY WITH 3, 4, 5, 6, 8, 18 AND 23 | |
17 |
|
|
75069-08C
Деталь TOP PLATE ASSEMBLY WITH 3, 4, 5, 6, 8, 18 AND 23
ОПРОС ПОСТАВЩИКОВ...
Для сборки этого узла требуется 1 шт.
* ориентировочный срок поставки
|
|
18 | | Деталь RING FUEL TANK, CAM | |
18 |
|
|
75089-08
Деталь RING FUEL TANK, CAM
ОПРОС ПОСТАВЩИКОВ...
Для сборки этого узла требуется 1 шт.
* ориентировочный срок поставки
|
|
19 | | Деталь TOP PLATE | |
19 |
|
|
75147-08B
Деталь TOP PLATE
ОПРОС ПОСТАВЩИКОВ...
Для сборки этого узла требуется 1 шт.
* ориентировочный срок поставки
|
|
20 | | Деталь FUEL LEVEL SENDER | |
20 |
|
|
75205-08A
Деталь FUEL LEVEL SENDER
ОПРОС ПОСТАВЩИКОВ...
Для сборки этого узла требуется 1 шт.
* ориентировочный срок поставки
|
|
21 | | Деталь HARNESS FUEL PUMP MODULE | |
21 |
|
|
75229-08
Деталь HARNESS FUEL PUMP MODULE
ОПРОС ПОСТАВЩИКОВ...
Для сборки этого узла требуется 1 шт.
* ориентировочный срок поставки
|
|
22 | | Деталь STRAINER FUEL PUMP INLET | |
22 |
|
|
75254-04A
Деталь STRAINER FUEL PUMP INLET
ОПРОС ПОСТАВЩИКОВ...
Для сборки этого узла требуется 1 шт.
* ориентировочный срок поставки
|
|
23 | | Деталь TRANSFER TUBE FUEL PUMP | |
23 |
|
|
75269-08
Деталь TRANSFER TUBE FUEL PUMP
ОПРОС ПОСТАВЩИКОВ...
Для сборки этого узла требуется 1 шт.
* ориентировочный срок поставки
|
|