FLHRSE4 1PG8 CVO ROAD KING (2008) (2008)

Оригинальные запчасти для мотоциклов Harley Davidson

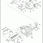
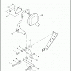
Выбор узла

FLHRSE4 1PG8 CVO ROAD KING (2008) (2008)