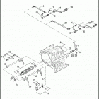
FXDC 1GV4 DYNA SUPER GLIDE CUSTOM (2007) (2007)

Оригинальные запчасти для мотоциклов Harley Davidson

Выбор узла

FXDC 1GV4 DYNA SUPER GLIDE CUSTOM (2007) (2007)