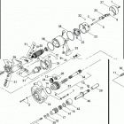
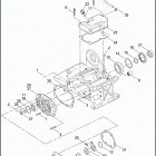
FLHTCI 1FFW ELECTRA GLIDE CLASSIC (2006) (2006)

Оригинальные запчасти для мотоциклов Harley Davidson

Выбор узла

FLHTCI 1FFW ELECTRA GLIDE CLASSIC (2006) (2006)