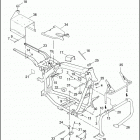
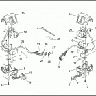
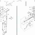
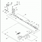
FXDP 1GKV DYNA DEFENDER (2001) (2001)

Оригинальные запчасти для мотоциклов Harley Davidson

Выбор узла

FXDP 1GKV DYNA DEFENDER (2001) (2001)