FXSTSB 1BPL SPRINGER SOFTAIL (1997) (1997)

Оригинальные запчасти для мотоциклов Harley Davidson

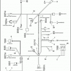
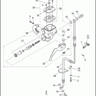
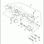
Выбор узла

FXSTSB 1BPL SPRINGER SOFTAIL (1997) (1997)