FXDS-CONV GGLP Dyna Glide Convertible (1993) (1993)

Оригинальные запчасти для мотоциклов Harley Davidson

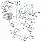
Выбор узла

FXDS-CONV GGLP Dyna Glide Convertible (1993) (1993)