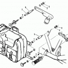
FXRS CONV EMLL FXR Convertible (1990) (1990)

Оригинальные запчасти для мотоциклов Harley Davidson

Выбор узла

FXRS CONV EMLL FXR Convertible (1990) (1990)