• О Компании
  • Оплата и Доставка
  • Помощь
  • Обратная связь
  • Контакты
  • Telegram
  • ВКонтакте
  • Telegram
  • ВКонтакте
  • Регистрация
  • Авторизация
Интернет магазин мотозапчастей PartsFor.ru
Москва и регионы России
  • Личный кабинет
    • Заказы
    • Оплаты
    • Отгрузки
    • Сообщения
    • Профиль
    • Выход
  • Оригинальные запчасти
    • Для мотоциклов
    • Yamaha
    • Honda
    • Suzuki
    • Kawasaki
    • Harley Davidson
    • Ducati
    • Can-Am
    • Aprilia
    • BMW
    • Triumph
    • Husaberg
    • Husqvarna
    • KTM
    • Indian
    • Victory
    • Slingshot
    • Для мотоциклов
    • Для квадроциклов
    • Для снегоходов
    • Для мотовездеходов
    • Для гидроциклов
    • Для лодочных моторов
    • Для катеров
    • Для судовых двигателей
    • Для генераторов
    • Для квадроциклов
    • Yamaha
    • Honda
    • Suzuki
    • Kawasaki
    • Arctic Cat
    • Can-Am
    • Polaris
    • KTM
    • Для снегоходов
    • Yamaha
    • Arctic Cat
    • Lynx
    • Ski-Doo
    • Polaris
    • Для генераторов
    • Для мотовездеходов
    • Yamaha
    • Honda
    • Suzuki
    • Kawasaki
    • Arctic Cat
    • Can-Am
    • Polaris
    • Polaris RZR
    • Для гидроциклов
    • Yamaha
    • Honda Marine
    • Kawasaki
    • Arctic Cat
    • Polaris
    • Sea-Doo
    • Для лодочных моторов
    • Для катеров
    • Для суд. двигателей
    • Для генераторов
    • Для лодочных моторов
    • Yamaha
    • Honda Marine
    • Suzuki Marine
    • Evinrude
    • Johnson
    • Nissan
    • Tohatsu
    • Mercury
    • Force
    • Mariner
    • Для катеров
    • Yamaha
    • Sea-Doo
    • Для суд. двигателей
    • Для спецтехники
  • Неоригинал, расходники
  • Заказ по каталогам
    • КАТАЛОГ PARTS UNLIMITED
  • Моторезина
  1. Главная
  2. Запчасти для лодочных моторов
  3. Yamaha
  4. 2015
  5. F30LEHA 0115

F30LEHA 0115 (2015)

Оригинальные запчасти для подвесных лодочных моторов Yamaha

Выбор узла

F30LEHA 0115 (2015)
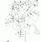
  • F30LEHA 0115 Bottom cowling 1
    Bottom cowling 1
  • F30LEHA 0115 Впускная система 1
    Впускная система 1
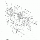
  • F30LEHA 0115 Bottom cowling 2
    Bottom cowling 2
  • F30LEHA 0115 Впускная система 2
    Впускная система 2
  • F30LEHA 0115 Кронштейн 1
    Кронштейн 1
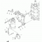
  • F30LEHA 0115 Корпус редуктора 1
    Корпус редуктора 1
  • F30LEHA 0115 Крепление 2
    Крепление 2
  • F30LEHA 0115 Корпус редуктора 2
    Корпус редуктора 2
  • F30LEHA 0115 Bracket 3
    Bracket 3
  • F30LEHA 0115 Маслянный поддон
    Маслянный поддон
  • F30LEHA 0115 Управление
    Управление
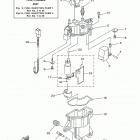
  • F30LEHA 0115 Масляный насос
    Масляный насос
  • F30LEHA 0115 Коленчатый вал и Поршень
    Коленчатый вал и Поршень
  • F30LEHA 0115 Optional parts
    Optional parts
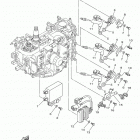
  • F30LEHA 0115 Цилиндр и картер 1
    Цилиндр и картер 1
  • F30LEHA 0115 Power trim tilt assy
    Power trim tilt assy
  • F30LEHA 0115 Цилиндр и картер 2
    Цилиндр и картер 2
  • F30LEHA 0115 Ремонтные комплекты 1
    Ремонтные комплекты 1
  • F30LEHA 0115 Электрика 1
    Электрика 1
  • F30LEHA 0115 Ремонтные комплекты 2
    Ремонтные комплекты 2
  • F30LEHA 0115 Электрика 2
    Электрика 2
  • F30LEHA 0115 Запчасти планового ремонта
    Запчасти планового ремонта
  • F30LEHA 0115 Электрика 3
    Электрика 3
  • F30LEHA 0115 Стартер
    Стартер
  • F30LEHA 0115 Электрика 4
    Электрика 4
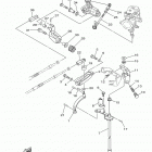
  • F30LEHA 0115 Рулевое управление 1
    Рулевое управление 1
  • F30LEHA 0115 Электрика 5
    Электрика 5
  • F30LEHA 0115 Рулевое управление 2
    Рулевое управление 2
  • F30LEHA 0115 Топливная магистраль
    Топливная магистраль
  • F30LEHA 0115 Steering friction
    Steering friction
  • F30LEHA 0115 Топливный насос 1
    Топливный насос 1
  • F30LEHA 0115 Рулевая тяга
    Рулевая тяга
  • F30LEHA 0115 Топливный насос 2
    Топливный насос 2
  • F30LEHA 0115 Капот
    Капот
  • F30LEHA 0115 Топливный бак
    Топливный бак
  • F30LEHA 0115 Дейвуд
    Дейвуд
  • F30LEHA 0115 Генератор
    Генератор
  • F30LEHA 0115 Клапана
    Клапана


  Информация
  • Новости
  • О Компании
  • Оплата и Доставка
  • Помощь
  • Обратная связь
  • Контакты
  OEM запчасти
  • Запчасти для мотоциклов
  • Запчасти для квадроциклов
  • Запчасти для снегоходов
  • Запчасти для мотовездеходов
  • Запчасти для гидроциклов
  • Запчасти для лодочных моторов
  Наши контакты
  • ИП Зуев Артем Павлович
  • г. Москва 2-я Хуторская улица, д.29, офис 214
  • Email: info@partsfor.ru

Тел: ‎8(495) 532-03-60
8(909) 958-46-33; 8(925) 200-16-98

* все разговоры записываются
С 10.00 до 19.00 ПН - ПТ

© 2026 Интернет магазин запчастей для мототехники ПартсФор.

  • PaymentGateway
  • PaymentGateway
Договор-оферта
Образец договора для юр.лиц
Пользовательское соглашение
Политика конфиденциальности

Товар добавлен в корзину

Выбранный товар добавлен в Вашу корзину.
Далее Вы можете перейти в корзину для оформления заказа или закрыть это окно и продолжить покупки.

Перейти в корзину

Выбор модели техники

Выбрать