• О Компании
  • Оплата и Доставка
  • Помощь
  • Обратная связь
  • Контакты
  • Telegram
  • ВКонтакте
  • Telegram
  • ВКонтакте
  • Регистрация
  • Авторизация
Интернет магазин мотозапчастей PartsFor.ru
Москва и регионы России
  • Личный кабинет
    • Заказы
    • Оплаты
    • Отгрузки
    • Сообщения
    • Профиль
    • Выход
  • Оригинальные запчасти
    • Для мотоциклов
    • Yamaha
    • Honda
    • Suzuki
    • Kawasaki
    • Harley Davidson
    • Ducati
    • Can-Am
    • Aprilia
    • BMW
    • Triumph
    • Husaberg
    • Husqvarna
    • KTM
    • Indian
    • Victory
    • Slingshot
    • Для мотоциклов
    • Для квадроциклов
    • Для снегоходов
    • Для мотовездеходов
    • Для гидроциклов
    • Для лодочных моторов
    • Для катеров
    • Для судовых двигателей
    • Для генераторов
    • Для квадроциклов
    • Yamaha
    • Honda
    • Suzuki
    • Kawasaki
    • Arctic Cat
    • Can-Am
    • Polaris
    • KTM
    • Для снегоходов
    • Yamaha
    • Arctic Cat
    • Lynx
    • Ski-Doo
    • Polaris
    • Для генераторов
    • Для мотовездеходов
    • Yamaha
    • Honda
    • Suzuki
    • Kawasaki
    • Arctic Cat
    • Can-Am
    • Polaris
    • Polaris RZR
    • Для гидроциклов
    • Yamaha
    • Honda Marine
    • Kawasaki
    • Arctic Cat
    • Polaris
    • Sea-Doo
    • Для лодочных моторов
    • Для катеров
    • Для суд. двигателей
    • Для генераторов
    • Для лодочных моторов
    • Yamaha
    • Honda Marine
    • Suzuki Marine
    • Evinrude
    • Johnson
    • Nissan
    • Tohatsu
    • Mercury
    • Force
    • Mariner
    • Для катеров
    • Yamaha
    • Sea-Doo
    • Для суд. двигателей
    • Для спецтехники
  • Неоригинал, расходники
  • Заказ по каталогам
    • КАТАЛОГ PARTS UNLIMITED
  • Моторезина
  1. Главная
  2. Запчасти для лодочных моторов
  3. Yamaha
  4. 2014
  5. VF200LA

VF200LA (2014)

Оригинальные запчасти для подвесных лодочных моторов Yamaha

Выбор узла

VF200LA (2014)
  • VF200LA Bottom Cowling 1
    Bottom Cowling 1
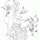
  • VF200LA Electrical 3
    Electrical 3
  • VF200LA OPTIONAL PARTS 1
    OPTIONAL PARTS 1
  • VF200LA Bottom Cowling 2
    Bottom Cowling 2
  • VF200LA Electrical 4
    Electrical 4
  • VF200LA OPTIONAL PARTS 2
    OPTIONAL PARTS 2
  • VF200LA Bottom Cowling 3
    Bottom Cowling 3
  • VF200LA Electrical 5
    Electrical 5
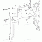
  • VF200LA Power Trim & Tilt Assy 2
    Power Trim & Tilt Assy 2
  • VF200LA Bracket 1
    Bracket 1
  • VF200LA Fuel 1
    Fuel 1
  • VF200LA Power Trim Tilt Assy 1
    Power Trim Tilt Assy 1
  • VF200LA Bracket 2
    Bracket 2
  • VF200LA Fuel 2
    Fuel 2
  • VF200LA Repair Kit 1
    Repair Kit 1
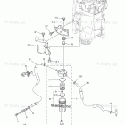
  • VF200LA Control
    Control
  • VF200LA Fuel Injection Pump 1
    Fuel Injection Pump 1
  • VF200LA Repair Kit 2
    Repair Kit 2
  • VF200LA Crankshaft Piston
    Crankshaft Piston
  • VF200LA Fuel Injection Pump 2
    Fuel Injection Pump 2
  • VF200LA Scheduled Service Parts
    Scheduled Service Parts
  • VF200LA Cylinder Crankcase 1
    Cylinder Crankcase 1
  • VF200LA Generator
    Generator
  • VF200LA STARTING MOTOR
    STARTING MOTOR
  • VF200LA Cylinder Crankcase 2
    Cylinder Crankcase 2
  • VF200LA Intake 1
    Intake 1
  • VF200LA Throttle Body Assy 1
    Throttle Body Assy 1
  • VF200LA Cylinder Crankcase 3
    Cylinder Crankcase 3
  • VF200LA Intake 2
    Intake 2
  • VF200LA Throttle Body Assy 2
    Throttle Body Assy 2
  • VF200LA Cylinder Crankcase 4
    Cylinder Crankcase 4
  • VF200LA Lower Casing Drive 1
    Lower Casing Drive 1
  • VF200LA Top Cowling
    Top Cowling
  • VF200LA Electrical - 1
    Electrical - 1
  • VF200LA Lower Casing Drive 2
    Lower Casing Drive 2
  • VF200LA Upper Casing
    Upper Casing
  • VF200LA Electrical 2
    Electrical 2
  • VF200LA OIL PAN
    OIL PAN
  • VF200LA Valve
    Valve


  Информация
  • Новости
  • О Компании
  • Оплата и Доставка
  • Помощь
  • Обратная связь
  • Контакты
  OEM запчасти
  • Запчасти для мотоциклов
  • Запчасти для квадроциклов
  • Запчасти для снегоходов
  • Запчасти для мотовездеходов
  • Запчасти для гидроциклов
  • Запчасти для лодочных моторов
  Наши контакты
  • ИП Зуев Артем Павлович
  • г. Москва 2-я Хуторская улица, д.29, офис 214
  • Email: info@partsfor.ru

Тел: ‎8(495) 532-03-60
8(909) 958-46-33; 8(925) 200-16-98

* все разговоры записываются
С 10.00 до 19.00 ПН - ПТ

© 2026 Интернет магазин запчастей для мототехники ПартсФор.

  • PaymentGateway
  • PaymentGateway
Договор-оферта
Образец договора для юр.лиц
Пользовательское соглашение
Политика конфиденциальности

Товар добавлен в корзину

Выбранный товар добавлен в Вашу корзину.
Далее Вы можете перейти в корзину для оформления заказа или закрыть это окно и продолжить покупки.

Перейти в корзину

Выбор модели техники

Выбрать