Электрика 2
Yamaha VF250LA
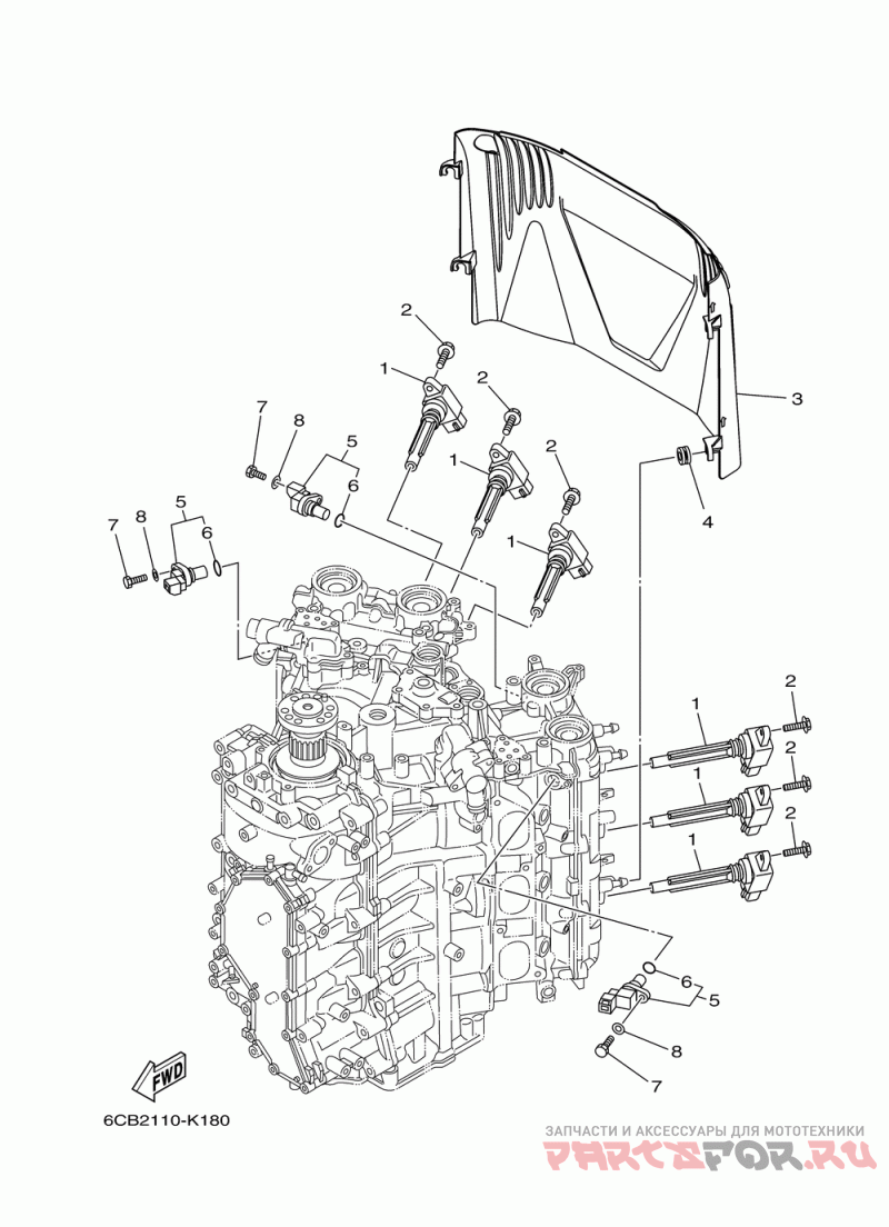
| # | oem код | название | цена |
|---|---|---|---|
1 | 6CB-82310-00-00 Катушка зажигания | Катушка зажигания | |
2 | 95895-06025-00 Болт | Болт | |
3 | 6CB-82314-00-00 Деталь Cover, Ignition Coil | Деталь Cover, Ignition Coil | |
4 | 90480-12497-00 Деталь Grommet
(5 Per Pack) | Деталь Grommet
(5 Per Pack) | |
5 | 6P2-85896-00-00 Датчик положения распредвала | Датчик положения распредвала | |
6 | 6P2-85075-00-00 Уплотнительное кольцо | Уплотнительное кольцо | |
7 | 97080-06020-00 Деталь Bolt(7u8)
(5 Per Pack) | Деталь Bolt(7u8)
(5 Per Pack) | |
8 | 92990-06600-00 Шайба (отпускается по 5 шт) | Шайба (отпускается по 5 шт) |
