• О Компании
  • Оплата и Доставка
  • Помощь
  • Обратная связь
  • Контакты
  • Telegram
  • ВКонтакте
  • Telegram
  • ВКонтакте
  • Регистрация
  • Авторизация
Интернет магазин мотозапчастей PartsFor.ru
Москва и регионы России
  • Личный кабинет
    • Заказы
    • Оплаты
    • Отгрузки
    • Сообщения
    • Профиль
    • Выход
  • Оригинальные запчасти
    • Для мотоциклов
    • Yamaha
    • Honda
    • Suzuki
    • Kawasaki
    • Harley Davidson
    • Ducati
    • Can-Am
    • Aprilia
    • BMW
    • Triumph
    • Husaberg
    • Husqvarna
    • KTM
    • Indian
    • Victory
    • Slingshot
    • Для мотоциклов
    • Для квадроциклов
    • Для снегоходов
    • Для мотовездеходов
    • Для гидроциклов
    • Для лодочных моторов
    • Для катеров
    • Для судовых двигателей
    • Для генераторов
    • Для квадроциклов
    • Yamaha
    • Honda
    • Suzuki
    • Kawasaki
    • Arctic Cat
    • Can-Am
    • Polaris
    • KTM
    • Для снегоходов
    • Yamaha
    • Arctic Cat
    • Lynx
    • Ski-Doo
    • Polaris
    • Для генераторов
    • Для мотовездеходов
    • Yamaha
    • Honda
    • Suzuki
    • Kawasaki
    • Arctic Cat
    • Can-Am
    • Polaris
    • Polaris RZR
    • Для гидроциклов
    • Yamaha
    • Honda Marine
    • Kawasaki
    • Arctic Cat
    • Polaris
    • Sea-Doo
    • Для лодочных моторов
    • Для катеров
    • Для суд. двигателей
    • Для генераторов
    • Для лодочных моторов
    • Yamaha
    • Honda Marine
    • Suzuki Marine
    • Evinrude
    • Johnson
    • Nissan
    • Tohatsu
    • Mercury
    • Force
    • Mariner
    • Для катеров
    • Yamaha
    • Sea-Doo
    • Для суд. двигателей
    • Для спецтехники
  • Неоригинал, расходники
  • Заказ по каталогам
    • КАТАЛОГ PARTS UNLIMITED
  • Моторезина
  1. Главная
  2. Запчасти для лодочных моторов
  3. Yamaha
  4. 2006
  5. F15CESH

F15CESH (2006)

Оригинальные запчасти для подвесных лодочных моторов Yamaha

Выбор узла

F15CESH (2006)
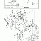
  • F15CESH Bottom Cowling
    Bottom Cowling
  • F15CESH Electrical 3
    Electrical 3
  • F15CESH Remo-Con Attachment
    Remo-Con Attachment
  • F15CESH Bracket 1 MH EH ER
    Bracket 1 MH EH ER
  • F15CESH Electrical 4
    Electrical 4
  • F15CESH Repair Kit 1
    Repair Kit 1
  • F15CESH Bracket 2 PH PR
    Bracket 2 PH PR
  • F15CESH Electrical 5
    Electrical 5
  • F15CESH Repair Kit 2
    Repair Kit 2
  • F15CESH Bracket 3
    Bracket 3
  • F15CESH Fuel 1
    Fuel 1
  • F15CESH Repair Kit 3
    Repair Kit 3
  • F15CESH CARBURETOR
    CARBURETOR
  • F15CESH Fuel 2
    Fuel 2
  • F15CESH Starter
    Starter
  • F15CESH Control 1 MH EH PH
    Control 1 MH EH PH
  • F15CESH Generator
    Generator
  • F15CESH STARTING MOTOR
    STARTING MOTOR
  • F15CESH Control 2 ER PR
    Control 2 ER PR
  • F15CESH Intake
    Intake
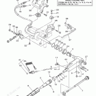
  • F15CESH Steering Friction
    Steering Friction
  • F15CESH Crankshaft Piston
    Crankshaft Piston
  • F15CESH Lower Casing Drive 1
    Lower Casing Drive 1
  • F15CESH Steering Guide
    Steering Guide
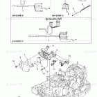
  • F15CESH Cylinder Crankcase 1
    Cylinder Crankcase 1
  • F15CESH Lower Casing Drive 2
    Lower Casing Drive 2
  • F15CESH Steering MH EH PH
    Steering MH EH PH
  • F15CESH Cylinder Crankcase 2
    Cylinder Crankcase 2
  • F15CESH OIL PAN
    OIL PAN
  • F15CESH Top Cowling
    Top Cowling
  • F15CESH Electrical - 1
    Electrical - 1
  • F15CESH OIL PUMP
    OIL PUMP
  • F15CESH Upper Casing
    Upper Casing
  • F15CESH Electrical 2
    Electrical 2
  • F15CESH Power Tilt Assy
    Power Tilt Assy
  • F15CESH Valve
    Valve


  Информация
  • Новости
  • О Компании
  • Оплата и Доставка
  • Помощь
  • Обратная связь
  • Контакты
  OEM запчасти
  • Запчасти для мотоциклов
  • Запчасти для квадроциклов
  • Запчасти для снегоходов
  • Запчасти для мотовездеходов
  • Запчасти для гидроциклов
  • Запчасти для лодочных моторов
  Наши контакты
  • ИП Зуев Артем Павлович
  • г. Москва 2-я Хуторская улица, д.29, офис 214
  • Email: info@partsfor.ru

Тел: ‎8(495) 532-03-60
8(909) 958-46-33; 8(925) 200-16-98

* все разговоры записываются
С 10.00 до 19.00 ПН - ПТ

© 2026 Интернет магазин запчастей для мототехники ПартсФор.

  • PaymentGateway
  • PaymentGateway
Договор-оферта
Образец договора для юр.лиц
Пользовательское соглашение
Политика конфиденциальности

Товар добавлен в корзину

Выбранный товар добавлен в Вашу корзину.
Далее Вы можете перейти в корзину для оформления заказа или закрыть это окно и продолжить покупки.

Перейти в корзину

Выбор модели техники

Выбрать