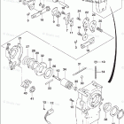
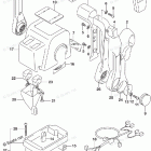
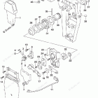
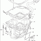
DF 200ATL (2019)

Оригинальные запчасти для подвесных лодочных моторов Suzuki Marine

Выбор узла

DF 200ATL (2019)