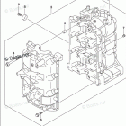
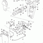
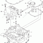
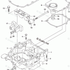
DF 60ATL2 (2018)

Оригинальные запчасти для подвесных лодочных моторов Suzuki Marine

Выбор узла

DF 60ATL2 (2018)