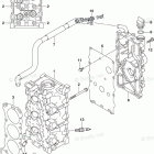
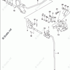
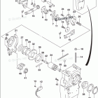
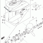
DF 30ATHS2 (2018)

Оригинальные запчасти для подвесных лодочных моторов Suzuki Marine

Выбор узла

DF 30ATHS2 (2018)