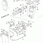
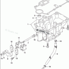
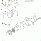
DF 20AEX2 (2018)

Оригинальные запчасти для подвесных лодочных моторов Suzuki Marine

Выбор узла

DF 20AEX2 (2018)