DF 200TX (2018)

Оригинальные запчасти для подвесных лодочных моторов Suzuki Marine

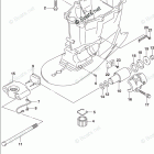
Выбор узла

DF 200TX (2018)