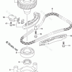
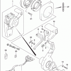
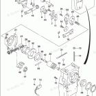
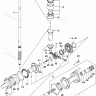
DF 200ASTL (2018)

Оригинальные запчасти для подвесных лодочных моторов Suzuki Marine

Выбор узла

DF 200ASTL (2018)