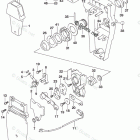
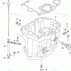
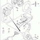
DF 100ATX (2018)

Оригинальные запчасти для подвесных лодочных моторов Suzuki Marine

Выбор узла

DF 100ATX (2018)