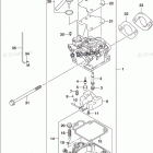
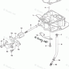
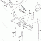
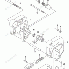
DF 9.9ARS (2017)

Оригинальные запчасти для подвесных лодочных моторов Suzuki Marine

Выбор узла

DF 9.9ARS (2017)