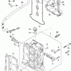
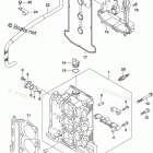
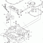
DF 50ATL2 (2017)

Оригинальные запчасти для подвесных лодочных моторов Suzuki Marine

Выбор узла

DF 50ATL2 (2017)