DF 30ATHL (2017)

Оригинальные запчасти для подвесных лодочных моторов Suzuki Marine

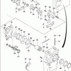
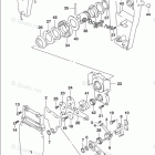
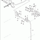
Выбор узла

DF 30ATHL (2017)