DF 200AZX (2017)

Оригинальные запчасти для подвесных лодочных моторов Suzuki Marine

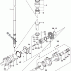
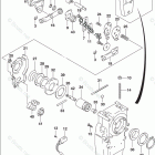
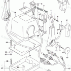
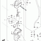
Выбор узла

DF 200AZX (2017)