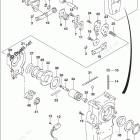
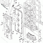
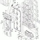
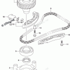
DF 150STL (2017)

Оригинальные запчасти для подвесных лодочных моторов Suzuki Marine

Выбор узла

DF 150STL (2017)