DF 115ATX (2017)

Оригинальные запчасти для подвесных лодочных моторов Suzuki Marine

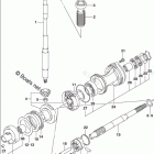
Выбор узла

DF 115ATX (2017)