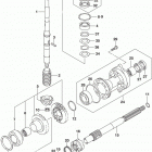
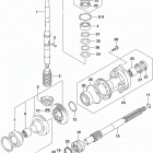
DF70A,80A,90A (2016)

Оригинальные запчасти для подвесных лодочных моторов Suzuki Marine

Выбор узла

DF70A,80A,90A (2016)