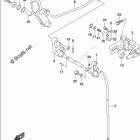
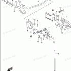
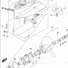
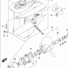
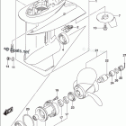
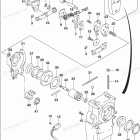
DF 25ATHS (2016)

Оригинальные запчасти для подвесных лодочных моторов Suzuki Marine

Выбор узла

DF 25ATHS (2016)