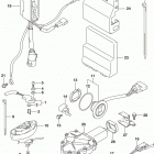
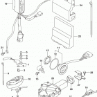
DF250/DF300 AP (2015)

Оригинальные запчасти для подвесных лодочных моторов Suzuki Marine

Выбор узла

DF250/DF300 AP (2015)