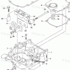
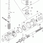
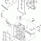
DF 60AVTL (2015)

Оригинальные запчасти для подвесных лодочных моторов Suzuki Marine

Выбор узла

DF 60AVTL (2015)