DF 140ATL (2015)

Оригинальные запчасти для подвесных лодочных моторов Suzuki Marine

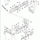
Выбор узла

DF 140ATL (2015)