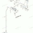
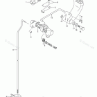
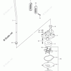
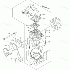
DF 25QL (2014)

Оригинальные запчасти для подвесных лодочных моторов Suzuki Marine

Выбор узла

DF 25QL (2014)