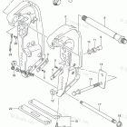
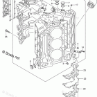
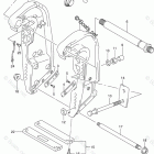
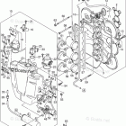
DF 250TX (2014)

Оригинальные запчасти для подвесных лодочных моторов Suzuki Marine

Выбор узла

DF 250TX (2014)