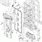
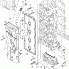
DF 175TX (2014)

Оригинальные запчасти для подвесных лодочных моторов Suzuki Marine

Выбор узла

DF 175TX (2014)