DF 175TGX (2014)

Оригинальные запчасти для подвесных лодочных моторов Suzuki Marine

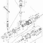
Выбор узла

DF 175TGX (2014)