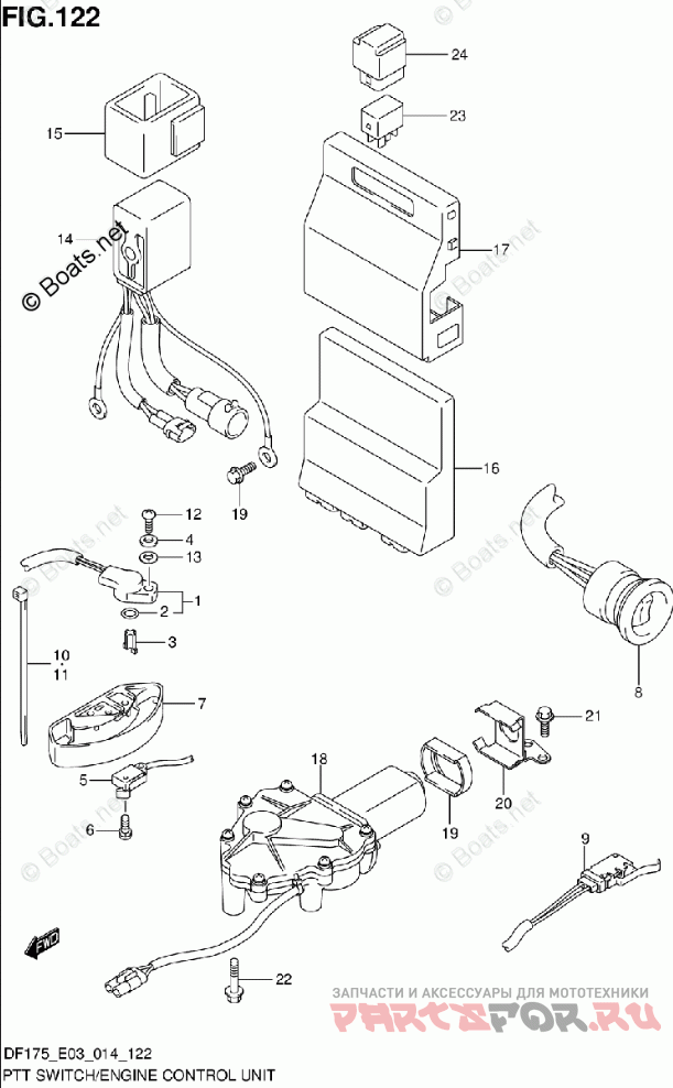
PTT Switch/Engine Control Unit (DF150TG E03)

Suzuki Marine DF 150TX

Suzuki Marine
#oem кодцена
1
13580-98J02
Деталь SENSOR ASSY, SHIFT POSITION
2
13575-40F00
Деталь O RING
3
37729-98J00
Деталь LEVER, SHIFT SENSOR
4
09160-05029
Деталь WASHER (5.5X12X0.8)
5
37721-93J00
Деталь SWITCH ASSY, NEUTRAL
6
09137-04004
Деталь SCREW (4X16)
7
37725-93J11
Деталь BRACKET, SWITCH ASSY
8
37850-99E04
Деталь SWITCH ASSY, PTT
9
37722-93J11
Деталь SWITCH ASSY, TILT LIMIT
10
09407-14407
Деталь CLAMP (L:145)
11
09407-10404
Деталь CLAMP (L:100)
12
07130-05167
Деталь BOLT
13
08321-0105A
Деталь WASHER, LOCK
14
38410-93J20
Деталь RELAY ASSY, PTT
15
38415-93J20
Деталь HOLDER, PTT RELAY
16
33920-96JE0
Деталь UNIT, ENGINE CONTROL
17
33925-98J00
Деталь CUSHION, ENGINE CONTROL UNIT
18
38890-98J00
Деталь ACTUATOR ASSY, SHIFT
19
38892-98J00
Деталь DAMPER, SHIFT ACTUATOR
20
38895-98J00
Деталь BRACKET, SHIFT ACTUATOR
21
01550-06167
Деталь BOLT
22
01550-06307
Деталь BOLT
23
38860-76F01
Деталь RELAY ASSY
24
38915-90J00
Деталь HOLDER, RELAY