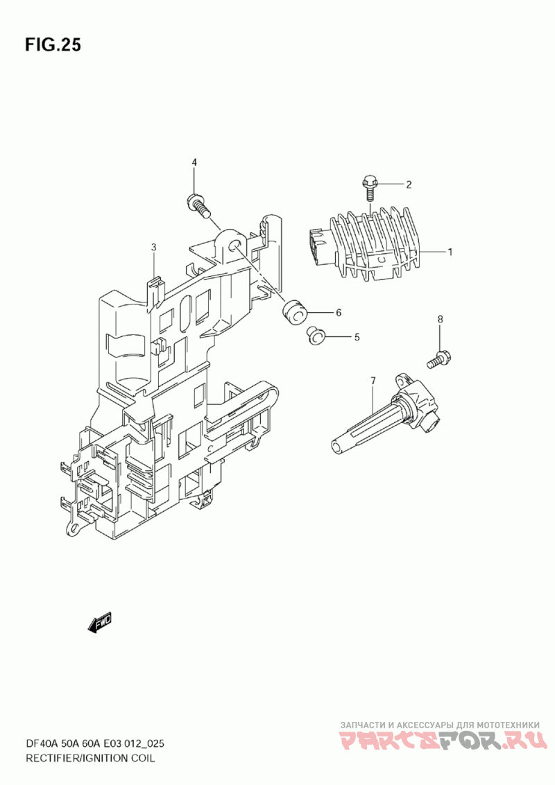
Rectifier / ignition coil
Suzuki Marine DF40A 50A 60A L2
| # | oem код | название | цена |
|---|---|---|---|
1 | 32800-88L00 Деталь Rectifier & Reg | Деталь Rectifier & Reg | |
2 | 01550-06257 Болт | Болт | |
3 | 32890-88L00 Деталь Holder, Electric | Деталь Holder, Electric | |
4 | 09116-06202 Деталь Bolt, Vapor Sepa | Деталь Bolt, Vapor Sepa | |
5 | 09169-06062 Деталь Washer, Throttle | Деталь Washer, Throttle | |
6 | 09320-09016 Подушка | Подушка | |
7 | 33410-87L00 Деталь Coil Assy, Ignit | Деталь Coil Assy, Ignit | |
8 | 01547-06207 Деталь Bolt 6 X 20 | Деталь Bolt 6 X 20 |
