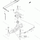
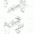
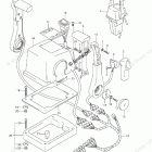
DF 200TX (2012)

Оригинальные запчасти для подвесных лодочных моторов Suzuki Marine

Выбор узла

DF 200TX (2012)