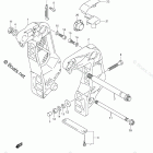
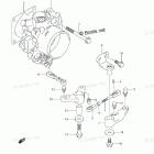
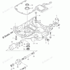
DF 140TX (2011)

Оригинальные запчасти для подвесных лодочных моторов Suzuki Marine

Выбор узла

DF 140TX (2011)