DF8AR (2010)

Оригинальные запчасти для подвесных лодочных моторов Suzuki Marine

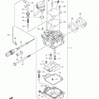
Выбор узла

DF8AR (2010)