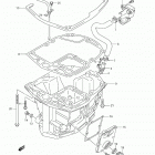
DF150 (2010)

Оригинальные запчасти для подвесных лодочных моторов Suzuki Marine

Выбор узла

DF150 (2010)