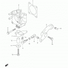
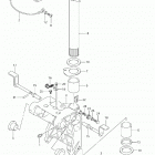
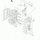
DF50 (2009)

Оригинальные запчасти для подвесных лодочных моторов Suzuki Marine

Выбор узла

DF50 (2009)