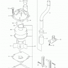
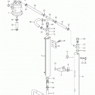
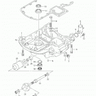
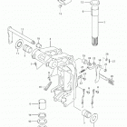
DF140Z (2009)

Оригинальные запчасти для подвесных лодочных моторов Suzuki Marine

Выбор узла

DF140Z (2009)