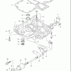
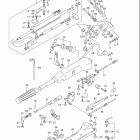
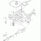
DF90/DF115 (2008)

Оригинальные запчасти для подвесных лодочных моторов Suzuki Marine

Выбор узла

DF90/DF115 (2008)