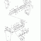
DF40/DF50 (2008)

Оригинальные запчасти для подвесных лодочных моторов Suzuki Marine

Выбор узла

DF40/DF50 (2008)