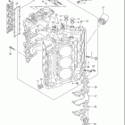
DF300 (2008)

Оригинальные запчасти для подвесных лодочных моторов Suzuki Marine

Выбор узла

DF300 (2008)