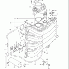
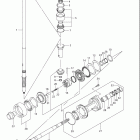
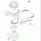
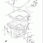
DF150/DF175 (2007)

Оригинальные запчасти для подвесных лодочных моторов Suzuki Marine

Выбор узла

DF150/DF175 (2007)