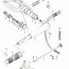
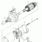
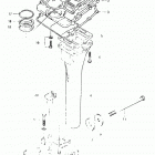
DT40C (1987)

Оригинальные запчасти для подвесных лодочных моторов Suzuki Marine

Выбор узла

DT40C (1987)